Product Summary
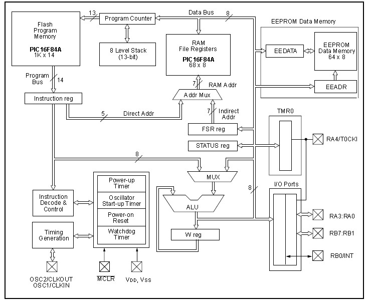
The PIC16F84A-04I/SO is an 18-pin enhanced flash/eeprom 8-bit microcontroller. The PIC16F84A-04I/SO belongs to the mid-range family of the PICmicro microcontroller devices. The functions of the PIC16F84A-04I/SO include:external interrupt; Change on PORTB interrupt; Timer0 clock input.
Parametrics
PIC16F84A-04I/SO absolute maximum ratings: (1)Ambient temperature under bias: -55°C to +125°C; (2)Storage temperature : -65°C to +150°C; (3)Voltage on any pin with respect to VSS (except VDD, MCLR, and RA4): -0.3V to (VDD + 0.3V); (4)Voltage on VDD with respect to VSS : -0.3 to +7.5V; (5)Voltage on MCLR with respect to VSS(1) : -0.3 to +14V; (6)Voltage on RA4 with respect to VSS: -0.3 to +8.5V; (7)Total power dissipation(2) : 800 mW; (8)Maximum current out of VSS pin : 150 mA; (9)Maximum current into VDD pin : 100 mA; (10)Input clamp current, IIK (VI < 0 or VI > VDD): ± 20 mA; (11)Output clamp current, IOK (VO < 0 or VO > VDD) : ± 20 mA; (12)Maximum output current sunk by any I/O pin: 25 mA; (13)Maximum output current sourced by any I/O pin : 20 mA; (14)Maximum current sunk by PORTA : 80 mA; (15)Maximum current sourced by PORTA: 50 mA; (16)Maximum current sunk by PORTB: 150 mA; (17)Maximum current sourced by PORTB: 100 mA.
Features
PIC16F84A-04I/SO features: (1)Only 35 single word instructions to learn; (2)All instructions single cycle except for program branches which are two-cycle; (3)1024 words of program memory; (4)68 bytes of data RAM; (5)64 bytes of data EEPROM; (6)14-bit wide instruction words; (7)13 I/O pins with individual direction control; (8)1000 erase/write cycles Enhanced Flash program; (9)memory; (10)Power-on Reset (POR), Power-up Timer (PWRT), Oscillator Start-up Timer (OST); (11)Watchdog Timer (WDT) with its own on-chip RC oscillator for reliable operation.
Diagrams

| Image | Part No | Mfg | Description | ![]() |
Pricing (USD) |
Quantity | ||||||||||||
|---|---|---|---|---|---|---|---|---|---|---|---|---|---|---|---|---|---|---|
![]() |
![]() PIC16F84A-04I/SO |
![]() Microchip Technology |
![]() 8-bit Microcontrollers (MCU) 1.75KB 68 RAM 13 I/O 4MHz Ind Temp SOIC18 |
![]() Data Sheet |
![]()
|
|
||||||||||||
| Image | Part No | Mfg | Description | ![]() |
Pricing (USD) |
Quantity | ||||||||||||
![]() |
![]() PIC1018SCL |
![]() Other |
![]() |
![]() Data Sheet |
![]() Negotiable |
|
||||||||||||
![]() |
![]() PIC10F200 |
![]() Other |
![]() |
![]() Data Sheet |
![]() Negotiable |
|
||||||||||||
![]() |
![]() PIC10F200-E/MC |
![]() Microchip Technology |
![]() 8-bit Microcontrollers (MCU) 384B Flash16B RAM 4 I/O |
![]() Data Sheet |
![]()
|
|
||||||||||||
![]() |
![]() PIC10F200-E/OT |
![]() Other |
![]() |
![]() Data Sheet |
![]() Negotiable |
|
||||||||||||
![]() |
![]() PIC10F200-E/P |
![]() Microchip Technology |
![]() 8-bit Microcontrollers (MCU) U 579-PIC10F200-I/P |
![]() Data Sheet |
![]() Negotiable |
|
||||||||||||
![]() |
![]() PIC10F200-I/MC |
![]() Microchip Technology |
![]() 8-bit Microcontrollers (MCU) 0.375KB Fl 16B RAM |
![]() Data Sheet |
![]()
|
|
||||||||||||
(China (Mainland))










