Product Summary
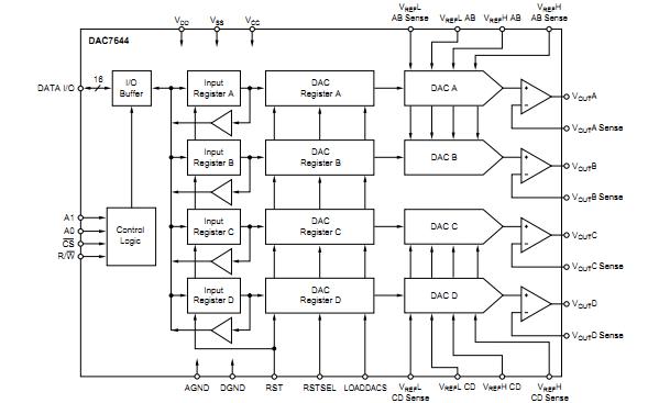
The DAC7644E is a 16-bit, quad voltage output digital-to-analog converter with guaranteed 15-bit monotonic performance over the specified temperature range. The DAC7644E accepts 16-bit parallel input data, has double-buffered DAC input logic (allowing simultaneous update of all DACs), and provides a readback mode of the internal input registers. Programmable asynchronous reset clears all registers to a mid-scale code of 8000H or to a zero-scale of 0000H. The DAC7644E can operate from a single +5V supply or from +5V and –5V supplies. Applications include: (1)process control; (2)closed-loop servo-control; (3)motor control; (4)data acquisition systems; (5)dac-per-pin programmers.
Parametrics
DAC7644E absolute maximum ratings: (1)VCC and VDD to VSS: –0.3V to 11V; (2)VCC and VDD to GND: –0.3V to 5.5V; (3)VREFL to VSS: –0.3V to (VCC – VSS); (4)VCC to VREFH: –0.3V to (VCC – VSS); (5)VREFH to VREFL: –0.3V to (VCC – VSS); (6)Digital Input Voltage to GND: –0.3V to VDD + 0.3V; (7)Digital Output Voltage to GND: –0.3V to VDD + 0.3V; (8)Maximum Junction Temperature: +150℃; (9)Operating Temperature Range:–40 to +85℃; (10)Storage Temperature Range: –65 to +125℃; (11)Lead Temperature (soldering, 10s): +300℃.
Features
DAC7644E features: (1)low power: 10mW; (2)unipolar or bipolar operation; (3)settling time: 10μs to 0.003%; (4)15-bit linearity and monotonicity: –40 to +85℃; (5)programmable reset to mid-scale or zero-scale; (6)data readback; (7)double-buffered data inputs.
Diagrams

| Image | Part No | Mfg | Description | ![]() |
Pricing (USD) |
Quantity | ||||||||||||
|---|---|---|---|---|---|---|---|---|---|---|---|---|---|---|---|---|---|---|
![]() |
![]() DAC7644E |
![]() Texas Instruments |
![]() DAC (D/A Converters) 16-Bit Quad Voltage Output |
![]() Data Sheet |
![]()
|
|
||||||||||||
![]() |
![]() DAC7644E/1K |
![]() Texas Instruments |
![]() DAC (D/A Converters) 16-Bit Quad Voltage Output |
![]() Data Sheet |
![]()
|
|
||||||||||||
![]() |
![]() DAC7644EB |
![]() Texas Instruments |
![]() DAC (D/A Converters) 16-Bit Quad Voltage Output |
![]() Data Sheet |
![]()
|
|
||||||||||||
![]() |
![]() DAC7644EB/1K |
![]() Texas Instruments |
![]() DAC (D/A Converters) 16-Bit Quad Voltage Output |
![]() Data Sheet |
![]()
|
|
||||||||||||
![]() |
![]() DAC7644EB/1KG4 |
![]() Texas Instruments |
![]() DAC (D/A Converters) 16-Bit Quad Voltage Output |
![]() Data Sheet |
![]()
|
|
||||||||||||
![]() |
![]() DAC7644E/1KG4 |
![]() Texas Instruments |
![]() DAC (D/A Converters) 16-Bit Quad Voltage Output |
![]() Data Sheet |
![]()
|
|
||||||||||||
![]() |
![]() DAC7644EBG4 |
![]() Texas Instruments |
![]() DAC (D/A Converters) 16-Bit Quad Voltage Output |
![]() Data Sheet |
![]()
|
|
||||||||||||
![]() |
![]() DAC7644EG4 |
![]() Texas Instruments |
![]() DAC (D/A Converters) 16-Bit Quad Voltage Output |
![]() Data Sheet |
![]()
|
|
||||||||||||
(China (Mainland))










