Product Summary
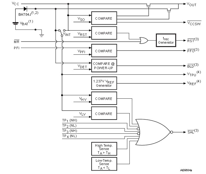
The STM1404CSNIQ6F is a security supervisor with battery switchover. The STM1404CSNIQ6F has four (4) high-impedance physical tamper detect input pins, 2 normally set to High (NH) and 2 normally set to Low (NL). Each input is designed with a glitch immunity. These inputs can be connected externally to several types of actuator devices (e.g., switches, wire mesh). The STM1404CSNIQ6F on any one of the four inputs that causes its state to change will trigger the security alarm (SAL) and drive it to active-low. Once the tamper condition no longer exists, the SAL will return to its normal High state.
Parametrics
STM1404CSNIQ6F absolute maximum ratings: (1)Reset Threshold Voltage: T: VRST = 3.00V to 3.15V; S: VRST = 2.85V to 3.00V; R: VRST = 2.55V to 2.70V; (2)Battery Low Voltage Detect Threshold (VDET): M: VDET = 2.3V (Typ); N: VDET = 2.5V (Typ); O: VDET = 3.2V (Typ); (3)Under (TL)/Over (TH) Temperature Alarm Thresholds (STM1404 only): B: –25/+80°C; H: –35/+80°C; C: –25/+85°C I: –35/+85°C; D: –25/+95°C; J: –35/+95°C; (4)Temperature Range: 6 = –40 to 85°C.
Features
STM1404CSNIQ6F features: (1)STM1404 SUPPORTS FIPS-140 SECURITY LEVEL 4: 4 High-Impedance Physical Tamper Inputs; Over/Under Operating Voltage Detector; Security Alarm (SAL) on Tamper Detection; Over/Under Operating Temperature Detector; Over/Under Temperature Thresholds are Customer-Selectable and Factory-Programmed; (2)SUPERVISORY FUNCTIONS: Automatic Battery Switchover; RST Output (Open Drain); Manual (Push-button) Reset Input (MR); Power-fail Comparator (PFI/PFO); (3)Vccsw (VCC SWITCH OUTPUT): Low When Switched to VCC; High When Switched to VBAT (BATT ON Indicator); (4)BATTERY LOW VOLTAGE DETECTOR (POWER-UP)
Diagrams

| Image | Part No | Mfg | Description | ![]() |
Pricing (USD) |
Quantity | ||||||||||||
|---|---|---|---|---|---|---|---|---|---|---|---|---|---|---|---|---|---|---|
![]() |
![]() STM1404CSNIQ6F |
![]() STMicroelectronics |
![]() Supervisory Circuits 3V FIPS 140 Security supervisor |
![]() Data Sheet |
![]()
|
|
||||||||||||
| Image | Part No | Mfg | Description | ![]() |
Pricing (USD) |
Quantity | ||||||||||||
![]() |
![]() STM1001 |
![]() Other |
![]() |
![]() Data Sheet |
![]() Negotiable |
|
||||||||||||
![]() |
![]() STM1001LWX6F |
![]() STMicroelectronics |
![]() Supervisory Circuits Active Low Open Drain Reset Circuit |
![]() Data Sheet |
![]()
|
|
||||||||||||
![]() |
![]() STM1001MWX6F |
![]() STMicroelectronics |
![]() Supervisory Circuits RESET CIRCUIT |
![]() Data Sheet |
![]()
|
|
||||||||||||
![]() |
![]() STM1001RWX6F |
![]() STMicroelectronics |
![]() Supervisory Circuits RESET CIRCUIT |
![]() Data Sheet |
![]()
|
|
||||||||||||
![]() |
![]() STM1001SWX6F |
![]() STMicroelectronics |
![]() Supervisory Circuits RESET CIRCUIT |
![]() Data Sheet |
![]()
|
|
||||||||||||
![]() |
![]() STM1001TWX6F |
![]() STMicroelectronics |
![]() Supervisory Circuits RESET CIRCUIT |
![]() Data Sheet |
![]()
|
|
||||||||||||
(China (Mainland))










